介绍
RCV32型组合调节阀是由一个主阀和一个或多个不同功能的导阀组合而成,专门用于氟化物制冷剂和氨制冷剂的制冷、冻结和空气调节装置中压力和温度的控制。RCV32型组合调节阀的主阀可以安装在制冷系统的高压侧、低压侧、湿吸气管、干吸气管以及无相变的液管上。
RCV32型组合调节阀的功能完全取决于所组合的导阀,导阀主要起接受信号。控制主阀作的作用,它是一个控制阀,主阀则是放大执行机构,它是一个调节阀。这种组合阀控制方式的优点在于:具有通用性强,可适应 多种控制要求;根据需要不仅可以用一个导阀,也可以用几个导阀联合控制主阀的动作,取得多种控制效果,从而起到一个阀门实现多个不同功能的作用。
RCV32型组合调节阀中导阀与主阀是用螺纹连接,也可用外接管连接在控制接口上。
技术参数
温度调节范围: -40~110℃
最大工作压力: 2.5MPa
试验压力: 3.5MPa
主阀最小开启压差: 0.01MPa
主阀全开压差: ≥0.025MPa

阀系列
PGVL低压压力控制导阀 压力调节范围: 0~0.7MPa
PGVH高压压力控制导阀 压力调节范围: 0.6~2.5MPa
DGV压差控制导阀 压差调节范围: 0~0.7MPa
TGV温度控制导阀 温度调节范围: 20~60℃
SGV电磁控制导阀 最大工作压力: 2.1MPa
介绍
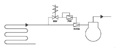
恒压调节并兼有电磁关闭功能
保持恒定蒸发压力并带有电动关闭补偿功能。RCV32主阀配置螺纹连接的SGV电磁导阀和PGV压力控制导阀

外形尺寸(单位:mm)

介绍
恒压调节温控组阀
限定蒸发压力,保持恒定介质温度的主阀。RCV32为主阀,PGV压力控制导阀和TGV温度控制导阀为螺纹连接。

外形尺寸(单位:mm)

