北美地区 English 简体中文

PRODUCTS

Constant Efforts for Best Quality

We will provide the best quality products and services to consumers.

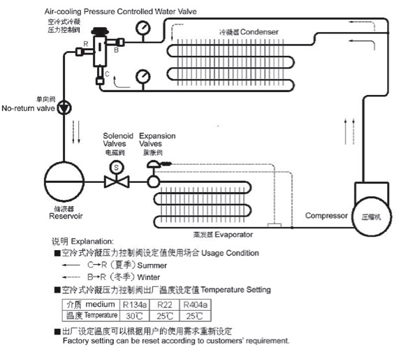
Air-Cooling Pressure Controlled Water Valve

Air-cooling Pressure Controlled Water Valve

Air-cooling pressure controlled water valves can be used in condenser or air-conditioning unit to maintain pressure of constant condenser and liquid receiver. It can apply to the change of outdoors, control the pressure, prevent pressure drop in winter, steady working all years. Also, it keeps the right inlet pressure of expansion valves, prevent the decrease in cold. Otherwise, it can be used in hot gas defrosting.

Electrical data
Types & Data
Types & Data